Sale Products

Shop and score unbeatable deals before they’re gone for good! We’re clearing out inventory to make room for new arrivals, which means deep discounts on best-selling items you love. From machine safety shields, e.g., Allen Bradley safety relays, contactors, machine parts, accessories to laser scanners, this is your last chance to save on top-quality products at rock-bottom prices. When it’s gone, it’s gone—shop now and make the most of these final markdowns!

Limited Quantities | No Warranty | All Purchases Final | No Return Eligibility

  • ALLEN BRADLEY 100-C12D10 IEC CONTACTOR, 120VAC COIL, SCREW TERMINALS, LINE SIDE, 12A, 1NO, 0NC
    $133.08
  • ALLEN BRADLEY 100-C30EJ10 100-C IEC CONTACTOR, 120VAC COIL, SCREW TERMINALS, LINE SIDE, 30A, 1NO, 0NC
    $110.90
  • ALLEN BRADLEY 100-E MCS-E CONTACTOR, 12A, AC3 DUTY
    $130.22
  • ALLEN BRADLEY 100-E30KY00 MCS-E CONTACTOR, 32A, AC3 DUTY, 48-130V AC 50/60HZ / 48-130V DC ELECTRONIC COIL, 0NO, 0NC
    $82.48
  • ALLEN BRADLEY 100-ESA11 AB AUX CNTCT FOR 100-E09...100-E96
    $10.32
  • ALLEN BRADLEY 100-FA11 CNTCT BLK AUX FRNT MNT
    $9.98
  • ALLEN BRADLEY 104-C12D22 Reversing Contactors, 12
    $231.96
  • ALLEN BRADLEY 1100-C43D10 IEC CONTACTOR, 120VAC COIL, SCREW TERMINALS, LINE SIDE, 43A, 1NO, 0NC
    $110.90
  • ALLEN BRADLEY 193-1EEDP IEC OVERLOAD RELAY, MANUAL OR AUTO-MANUAL RESET, 3.2-16.0 A, MOUNTS TO DIN RAIL / PANEL, PASSTHROUGH
    $63.84
  • ALLEN BRADLEY 440C-CR30-22BBB RELAY PROG SAFETY
    $489.66
  • ALLEN BRADLEY 440E-L13155 Lifeline Emergency Cable
    $283.49
  • ALLEN BRADLEY 450L-E4HL0750YD Enhanced Safety LC 30"
    $322.43
  • ALLEN BRADLEY 700S-EF620EJC SAFETY RELAY, CONTROL, 6NO/2NC
    $106.04
  • ALLEN BRADLEY 800T-B2 30MM PUSHBUTTON, EXTENDED HEAD
    $30.24
  • ALLEN BRADLEY 800TC-FXT6A4 30MM PUSH/TTR RED 40MM MUSHROOM
    $80.28
  • ALLEN BRADLEY 800TC-H31B 30MM KEY OPERATED SELECTOR SWI
    $67.18
  • ALLEN BRADLEY 800TC-J91B AB 3POS SLCTR SW SPRNG RTRN FRM BOTH 2NO CNTCTS
    $62.94
  • ALLEN BRADLEY COLOR KIT,SELECTOR SWITCHES.
    $3.96
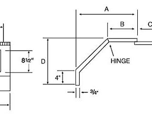
  • BRACKET LTH MTG TYPE A
    $7.62
  • Lathe Mounting Bracket for Safety Shield TYPE B
    $14.50
  • Techno Piu 400SX, Universal Safety Shield wArticulated Arms
    $283.00
  • IDEC Safety Laser Scanner Pigtail Model
    $1,569.00
  • Steel Crossslide Travel Lathe Shield 12"W High Impact Poly Window
    $116.00
  • Steel Crosslide Travel Lathe Shield 13.25" with High Impact Poly Window
    $124.00
  • Small Steel Lathe Chuck Shield 11" with Window
    $87.00
  • Small Steel Lathe Chuck Shield 14.5" with Window
    $95.00
  • Small Steel Lathe Chuck Shield 18.25" with Window
    $136.00